Amiga 500 "Duo"

Die wohl beste Computertechnik
Benutzeravatar

Amiga 500 "Duo"

..... 2. Diskettenlaufwerk im A500.

Wir schreiben das Jahr 2007 ...


Für manche sicher ein alter Hut, aber mir sind
nun endlich die lang gehegten Reize durchge-
gangen, das doch mal umzusetzen.
01.jpg
Hier der Probelauf - Platine vom externen Lfw.
für das 2. Interne Lfw. umgestrickt. Schematics
geblättert... Probiert... Funktioniert...
02.jpg
Für das 2. Lfw. musste Platz geschaffen werden.
Die Kondensatoren verlängert und Spannungs-
filter/Choke umgelegt. Ansonsten hätte das
2. Lfw. nicht reingepasst.
03.jpg
Das Laufwerk wird seitlich mit 2 Bolzen an die Rückwand befestigt und
liegt am Gehäuse links auf, und mit nem kleinen Filz aufm IC (Denise) abgestützt.
04.jpg
Zwischen den beiden Laufwerken
sitzt die umgestrickte Platine ...
05.jpg
Hier sieht man die 2 Schrauben,
welche die Bolzen zum Lfw. halten.
06.jpg
Und fertig ...
.
07.jpg


Für Nachbauer:
08.jpg
Die schwarze Kroko bringt das MOTRX (Motor on extern) wieder ins Boot. Muss man intern am U36 Pin 3 abgreifen.
Vorzugsweise per fliegender Drahtbrücke zum Laufwerk / Platine




intern , Belegung , extern
02 , CHNG , 11
04 , MTRO , -
06 , - , -
08 , INDEX , 22
10 , SEL0 , -
12 , SEL1 , 21
14 , - -
16 , MTRO , -
18 , DIR , 19
20 , STEP , 18
22 , WD , 17
24 , WE , 16
26 , TRK0 , 15
28 , WPROT , 14
30 , RD , 2
32 , SIDE , 13
34 , RDY , 1


"extern" = die Platine aus einem externen Floppylaufwerk. Die haben meist einen 1:1 zum Stecker belegten Anschluss auf der Platine, was die Sache vereinfacht.
"-" = unbelegt / nicht verwendet
int. Pins 1,3,5,7,... Sind Masse/Gnd und an die Pins 3-7 des ext. zu legen
Pin 8 des ext. (an der Platine) muss von U36 Pin 3 geholt werden.

Für die Spannungsversorgung benötigt man noch ein 3faches Y-Kabel.
Interner Stromanschluss -> DF0 -> Platine -> DF1

Benutzeravatar

Re: Amiga 500 "Duo"

Es gibt Neues an der A500 Front!

Der A500 war eine Zeit lang wie verschollen und hat eine kleine Weltreise hinter sich :D

Jetzt geht es ihm nach 11 Jahren (in Worten: ELF!) wieder an den Kragen.

Nachdem ich ihn wieder in den Händen hielt (Danke, 'Opi'!) fiel mir erst einmal auf, wie vergilbt der Bursche doch ist :eek:
Aber nach langem Überlegen kam ich zu dem Entschluß, der bleibt so 'ugly' - ein Zeitzeuge.


Der A500 hat ja nun zwei Laufwerke. Im letzten Zustand, wanderte die DF1: Platine unter das DF0: - das sah auch erst mal recht sauber aus.
Das Ganze schlummerte dann ja nur noch vor sich hin. Ich habe mich dann auch mal im Netz umgeschaut, ob schon jemand den Weg zum zweiten internen Laufwerk gefunden hätte. Fehlanzeige. Muss ich immer der Vorreiter sein? :topmodel: Jedenfalls bekamen es wohl manche hin, ein Gotek als zweites Laufwerk zum Laufen zu bringen. Ich komme nur nicht dahinter, warum man dem zweiten Laufwerk noch das _SEL2 Signal einimpft. Wie dem auch sei, wenn es dort funktioniert - bei echten Laufwerken jedenfalls nicht.
Erneute Recherche und Vergleiche in den Schaltplänen des A500 und seinem nächsten Verwandten dem A2000 brachten mich jetzt ans Tageslicht. Es ist unterm Strich einfacher, bei der externen Platine für das DF1: zu bleiben, als auf dem Board herum zu murksen. Es müssen Signale neu erzeugt werden, Leiterbahnen umgeroutet werden ... dafür bin ich glaub' zu alt :topmodel: :D
Aber im Ernst, was wäre das denn für eine Herausforderung.



Für meinen nächsten Schritt am A500 benötige ich den Platz unter dem DF0: und somit wanderte die Platine wieder zwischen die Laufwerke.
IMG_20180928_040706.jpg
Hierzu auch die Spannungsversorgung erneuert, war ja ne Adapteritis ... die Platine und das Flachbandkabel ist noch nicht 100% fixiert, da hier noch ein paar weitere kleine Baustellen offen sind ...

Wer erkennt die Platine im Trapdoor?
IMG_20180928_040659.jpg
Richtig! Einer der vielen umgebauten A520 HF Modulatoren zum S-Video Adapter.
Irgendwann müssen die ja mal weniger werden und auch ihren bestimmungsgemäßen Dienst aufnehmen!

Und dann kommt so etwas dabei heraus:
IMG_20180928_163308.jpg
IMG_20180928_163313.jpg
IMG_20180928_173556.jpg
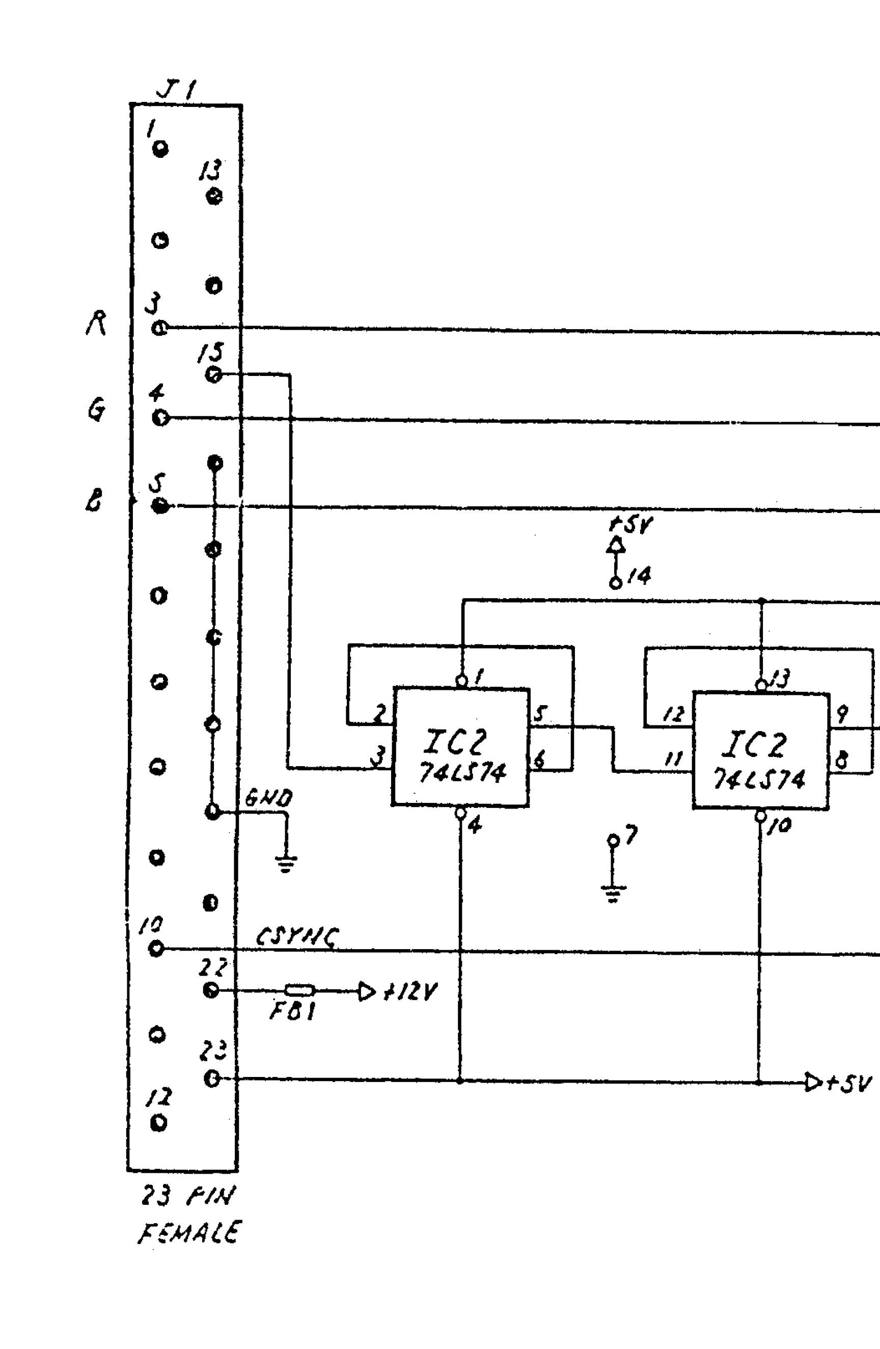
Alle relevanten Signale über abgeschirmte Leitungen herüber geführt und dort auf einen 23pol Stecker gelötet. Ich wollte es weiterhin steckbar haben.


Belegungen:
Bild2.jpg
A520_01.jpg
(Alle nicht benötigten Signale wurden hier ausradiert!)
IMG_20180928_173709.jpg
IMG_20180928_173602.jpg
:woohoo: :spitze:


Bei den Floppys bin ich auch einen Schritt weiter gegangen. Problem: Die LED zeigt nur die Aktivität der internen Floppy an!
Somit beide Motor-Signalen (_MOTR0 und MOTX) über zwei Dioden an die LED geführt.
A500_PCB_3_klein.jpg
(Bild als Screenshot bei amigapcb.org entnommen und für den Zweck bearbeitet)


Laufwerkklickeritis:


(Das Schaben beim rechten Floppy liegt daran, dass die Isolation zur A520 Platine noch nicht fixiert ist!)

Benutzeravatar

Re: Amiga 500 "Duo"

Die IDE / Ram Platine ist eingetroffen! :woohoo:
IMG_20181002_124600~01.jpg


Amiga 68000 DIP-64 socket IDE interface
http://www.mkl211015.altervista.org/ide/ide68k.html

installpics
http://www.mkl211015.altervista.org/ide ... lpics.html

ram68k
http://www.mkl211015.altervista.org/ram68k/

Thema im Amibay Forum:
http://www.amibay.com/showthread.php?92 ... 000-socket



Erster Test:
IMG_20181002_155707.jpg

:woohoo: :spitze:

Stecker konfektioniert, die Signale _INT und _OVR geholt, und die HDD Led eine Steckverbindung nahe des Tastatursteckers verlegt.
IMG_20181002_155807.jpg
IMG_20181002_155928.jpg
Leider wollte keine meiner noch übrig gebliebenen CF Karten mitspielen. Also musste die alte Platte aus einem A600 her halten. Läuft!
IMG_20181002_162458.jpg
IMG_20181002_162505.jpg
IMG_20181002_212016.jpg



Die Festplatten LED erst mal provisorisch neben die Disk-LED befestigt:
IMG_20181002_213522.jpg


Das schaut dann so aus:


Richtig interessant wird es, wenn Diskette und HDD gleichzeitig leuchten. Ein seltsames Orange :topmodel:

Benutzeravatar

Amiga 500 "Duo"

Der nur IDE+Ram Adapter hat mir dann doch nicht mehr genügt und ich leckte Blut, als ich darauf aufmerksam gemacht wurde:

https://sordan.ie/product/583/turbo-car ... amiga-500/
TK01.jpg
Turbo Card HC533 33MHz 8MB RAM IDE Amiga 500 hat geschrieben:
Brand New Turbo Card HC533, MC68HC000 33MHz + Bootable IDE + 8MB Fast RAM for Amiga 500.

This amazing turbo card will allow you to boot even from Workbench 1.3! You can boot your system from 1.3 to 3.1 Kickstart (depends what kickstart you have installed on your Amiga motherboard). You can boot between 2 ROMs (Oktapussy/Oktagon) and you can change this settings by using jumper on board (jumper included).

Processor MC68HC000 with 33 MHz clock, it will speed up your Amiga 500 a lot. Regarding to SysInfo V4.0 there is 3.51 MIPS (2.76 times faster than Amiga 1200 with 020 / 14 MHz)

There is 8MB Fast RAM included on board too.

There is 40 PIN IDE Male connector on board. You can connect CF to IDE adapter into that slot and you can boot your system from CF card (you dont need additional power for CF cards). You can also boot from real 40 PIN IDE hard drive but then you need to power your hardrive somehow.

Plug & Play turbo card. All you need to do is just remove MC68000 processor from your Amiga 500 motherboard (MC68000 processor module insterted is into slot on motherboard (you can easily remove it within seconds using for example flat screwdriver). No soldering at all.

Excellent IDE speed, regarding to SysInfo V4.0 our tested CF card as a hard drive speed was: 4.6MB/s! (IDE speed may be vary, depends which CF card are you using).

You can still use extra CHIP Ram from trapdoor expansion slot.
JA SPINNST DU!? :woohoo: War gekauft!!! :D

Aber die Freude ward nur kurz - nein der Amiga enließ nicht seinen letzten F*rz. Die TK Passte nicht in meinen modifizierten A500 rein.

passt nicht ... der Fette ist im Weg (2MB MiniMeg)
A1.jpg
A2.jpg
So müsste es doch gehen? mh...

Dank Grandmasta DJ ...
A3.jpg
A5.jpg
A6.jpg
... und es würde wirklich gerade so passen ... Theorie und Praxis würden wirklich passen.

Gute 4 Wochen später ...
A8.jpg
A7.jpg
und auch die größeren Löcher für den 68000 Sockel passen perfekt :spitze:

Jetzt gab es nur noch eine riesen große Hürde.
Ich benötigte Pins, die dünn sind und keinen oder einen nur sehr dünnen Plastikkragen haben, oder lang genug sind, damit man sie von der Platinenoberseite einlöten könnte. Denn die Platine musste im 68000 Sockel absolut plan flach aufliegen, damit es von den zur Verfügung stehenden Platzverhältnissen hin haute...


Lange gesucht, viel überlegt :gruebel: Bescheuerte Preisgestaltungen von bspw. einzelnen Pins kopfschüttelnd weggeklickt, doch am Ende kam der :woohoo:


Man nehme RM 1,27 und nutze nur jeden 2. Stift:
01.jpg
Und dem ging dann so:

Ich habe beim ersten Anlauf jeden zweiten Pin raus gedrückt und durch die Platine gesteckt in einen Feder-IC-Sockel gesteckt.
Zwischen Platine und IC-Sockel entnommene Stifte als Abstandhalter gesteckt, falls man etwas mehr nachdrücken müsste und wegen eventuellem Lötzinnüberschuß. Dies dann oben verlötet...
02.jpg
Um die Stifte durch zu drücken, einen alten Zollstock genommen und dann die Pins im Schraubstock zwischen die Glieder gedrückt. Das ging dann mit einem 9V Block im späteren Verlauf auch ganz einfach.
03.jpg
04.jpg
Die durch gedrückten Pins:
05.jpg
06.jpg
Die übrig gebliebenen Pins aus dem ersten Anlauf.

Nja ... ziemlich verschwenderisch. Daher jetzt ebbes gescheiter.
Nachdem die Pins durch gedrückt waren, jeden 2. auf die andere Seite geschoben. So war es dann möglich, nach dem einlöten der einen Seite, den eh nicht mehr benötigte Kunststoffhalter mit den anderen Pins abzuziehen und umgedreht für die nächsten Pins einzusetzen und einzulöten:
07.jpg
08.jpg
10.jpg
11.jpg
Sieht doch recht ordentlich aus.

Jetzt noch die zweite Reihe und der 68000 Sockel.
12.jpg
13.jpg
Dann kam mir aber der Geiz hoch, und ich habe den 68000 Sockel nur als Aritierung für zwei Leisten genutzt.

Die Lupe musste jetzt auch her. HWS und die Äuglein ...
Und dann war es endlich soweit! Erster Anlauf ...
14.jpg
15.jpg
16.jpg
Es passte perfekt und den 68000er als Opferanode überzeugte 'ol Murphy, mich heute mal in Ruhe zu lassen.

Noch etwas wackelig, zwei Gummifüßchen später genialst!
17.jpg
18.jpg
Die olle A600 Platte wieder dran, Augen zugekniffen ... und ... STARTET :woohoo: und es passt alles zusammen! :spitze:
19.jpg
20.jpg
ehm, hier Beweis:
22.jpg
23.jpg


Und zum Vergleich noch die Angaben vom Macher und die meines A500:
TK02.jpg
TK04a.jpg
TK03.jpg
TK04b.jpg
ONEWALLFREE! :spitze:


Und ein Video in Aktion:





HDD LED unterhalb der FDD LED beim Booten:




Die IDE LED sitzt jetzt direkt unter der FDD LED:
IMG_20181221_163328.jpg
IMG_20181221_163658.jpg
Noch eine 1GB große CF Karte rein ...
31.jpg
32.jpg
Und ja, der bleibt so Gilb. :D